Page 16 sur 25
Re: Auto Level Hephestos Sans contact (Mise à jour du 31/01/
Publié : lun. avr. 20, 2015 9:24 am
par touchthebitum
juste une question:
Quand tu as fait G92 X0 Y0 Z0 dans le processus de calibration, as-tu bien mis les majuscules ?
Quelles valeurs obtiens-tu avec la commande M114 lors de la calibration du capteur ?
Au pire, on refait une calibration pas à pas ensemble.
Re: Auto Level Hephestos Sans contact (Mise à jour du 31/01/
Publié : lun. avr. 20, 2015 9:40 am
par totof06
stephlea a écrit :bonjour pour le capteur cet le meme que sur la page 1 (mise a jour) en faite j'approche ma buse a hauteur de facon a glisser une feuille entre le plateau et la buse puis je regle la vis potentiometre du capteur juste quand il s allume
Ok mais il y a 2 modèles
LJ12A3-4-Z/BX détection 5mm
LJC18A3-H-Z/BX détection 10mm
combien de distance avec ton plateau entre le capteur et le verre une fois allumé ?
Sinon si tu peux faire une petite vidéo du problème c'est mieux
Re: Auto Level Hephestos Sans contact (Mise à jour du 31/01/
Publié : lun. avr. 20, 2015 9:55 am
par stephlea
cet celui ci le modele LJC18A3-H-Z/BX mais je pense que cet le fait d'avoir un peu de jeu dans l'axe Z je v essayer de faire un chariot avec 2 roulement en bas comme sa plus de jeu dans le chariot
Re: Auto Level Hephestos Sans contact (Mise à jour du 31/01/
Publié : lun. avr. 20, 2015 10:22 am
par totof06
avec ce modèle j'ai 8mm de battement entre la buse et le capteur, mais tu peux mettre ce que tu veux.
Si tu as 0mm dans t'es réglages du conf.h alors la distance en la buse et le capteur est nul, la buse à chaque palpage touchera le plateau ! et c'est pas le bute rechercher, le but c'est de palper le plateau sans que la buse touche celui ci.
Monte ton capteur plus haut sur son support pour avoir plus de distance qui à avoir 10mm c'est pas gênant.
Place ta buse à la bonne hauteur d'impression, place ton capteur à 8-10mm au dessus et joue sur la vis pour quelle s'allume à ce moment la.
Ensuite tu suis le tuto
1°) Home X et Home Y
2°) Faire un repère au centre du plateau avec un marqueur
3°) Centré la tête d'impression au centre du plateau au niveau du repère.
4°) Descendre la tête avec Cura (commande Z) au maximum
5°) Couper l'alimentation de l'imprimante
6°) Descendre manuellement la tête et régler avec une feuille la hauteur d'impression.
7°) Une fois fait faire la commande G92 X0 Y0 Z0
8°) Remettre l’alimentation de l'imprimante
9°) Positionner le capteur en lieu et place de la tête sur le plateau.
10°) Faire descendre la capteur jusqu’à qu'il s'allume (ajuster le plus précisément possible la hauteur du capteur par pas de 0.1mm)
11°) Une fois réglé faire M114
12°) Relever les valeur X Y Z et inverser la valeur (ex : X 20 Y 30 Z 2.5 = X 20 Y 30 Z 2.5) et les insérer des le firmware
Exemple :
// these are the offsets to the probe relative to the extruder tip (Hotend - Probe)
#define X_PROBE_OFFSET_FROM_EXTRUDER -20
#define Y_PROBE_OFFSET_FROM_EXTRUDER -30
#define Z_PROBE_OFFSET_FROM_EXTRUDER -2.5
Ensuite tu pourra faire un affinage par pas de 0.05 sur l'axe Z
Re: Auto Level Hephestos Sans contact (Mise à jour du 31/01/
Publié : lun. avr. 20, 2015 11:06 pm
par x.gourhand
Salut
Ça me parait super génial ce système automatisé.
Par contre, quand on est une buse en électronique et en programmation, comment on déchiffre correctement vos commentaires?
Je suis Archi nul en électronique.
Cordialement Xavier
Re: Auto Level Hephestos Sans contact (Mise à jour du 31/01/
Publié : mar. avr. 21, 2015 8:10 am
par touchthebitum
Salut.
On est pas tous ingénieur en aéronautique....
Il suffit juste de bien suivre les instructions de ce sujet et tu trouveras surement quelqu'un pour t'aiguiller.
Re: Auto Level Hephestos Sans contact (Mise à jour du 31/01/
Publié : mar. avr. 21, 2015 1:03 pm
par x.gourhand
Merci.
J'ai commandé le capteur inductif, et je suis en train d'imprimer son support.
Donc quand tout sera là je reviendrais faire un tour.

Re: Auto Level Hephestos Sans contact (Mise à jour du 31/01/
Publié : mar. avr. 21, 2015 3:55 pm
par Jacques
Jusque là tout va bien...

Re: Auto Level Hephestos Sans contact (Mise à jour du 31/01/
Publié : dim. mai 24, 2015 10:10 pm
par philoupat
Bonjour
je me suis lancé aussi j'ai installé le capteur le LJC18A3
après réglage les essai donne un bon fonctionnement mais le capteur reste allumé en demi teinte
et de façon aléatoire après un arrêt prolongé le capteur ne fonctionne pas
j'ai donc chercher et pensé à un problème avec les résistances j'ai donc fait une carte avec un optocoupleur
voir le sujet
http://forums.reprap.org/read.php?336,388217,page=1
j'ai changé le sens du câblage voir le plan
j'ai changé de capteur et monté un LJC12A3 même problème auto level fonctionne mais le capteur reste allumé en demi teinte et par moment le capteur ne fonctionne pas
Re: Auto Level Hephestos Sans contact (Mise à jour du 31/01/
Publié : lun. mai 25, 2015 3:51 pm
par Jacques
Sachant que le détecteur LJC18A3 a une sortie NPN "collecteur ouvert", la charge devrait être alimentée au + permanent et le signal devrait représenter la masse (connecté à la led).
Dans le cas présent, le fonctionnement ne sera pas efficace voir impossible
Le schéma allemand représente un capteur de type PNP, d'où le schéma proposé.
En ce qui concerne la led du capteur, son allumage doit être franc, si en débranchant le fil de signal c'est toujours en demi-teinte c'est qu'il ne fonctionne pas bien.
Re: Auto Level Hephestos Sans contact (Mise à jour du 31/01/
Publié : lun. mai 25, 2015 10:26 pm
par philoupat
Bonsoir
oui le schéma allemand est pour un PNP
mais si ont regarde mon schéma on voie que je l'ai modifié pour un capteur NPN
le photo-transistor est passant donc le signal est à 5V
en cas de détection le photo-transistor se coupe est donc le signal est à 0v
La Led s'éteint si on débranche le fil du signal (Noir)
j'ai le même phénomène avec les résistances 15k et 10k du schéma initial
merci de votre réponse je continu à chercher
Re: Auto Level Hephestos Sans contact (Mise à jour du 31/01/
Publié : lun. mai 25, 2015 11:31 pm
par Jacques
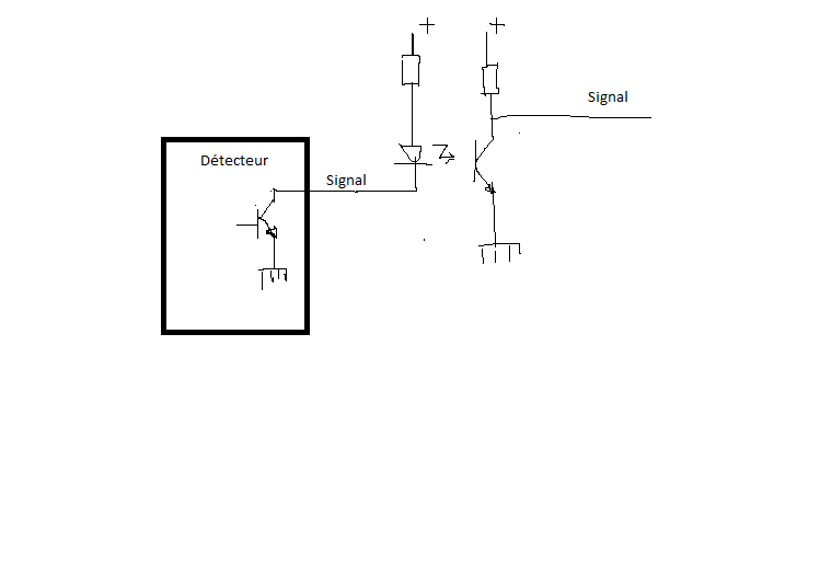
Je ne suis pas d'accord avec ce schéma
En sortie du détecteur la charge (la led) doit se faire par la commutation du transistor interne et non par sa résistance de rappel au +. La puissance de 300mA ne se fait que par la commutation du transistor vers la masse.
Ensuite, en sortie du photocoupleur la charge devrait être au collecteur du transistor et non sur l'émetteur car la tension de sortie (signal) sera proportionnelle à l'allumage de la led et non en commutation par la saturation du transistor (base/émetteur).
Ma proposition

- Détecteur.png (7.05 Kio) Consulté 20029 fois
Re: Auto Level Hephestos Sans contact (Mise à jour du 31/01/
Publié : mar. mai 26, 2015 7:53 pm
par philoupat
Bonjour
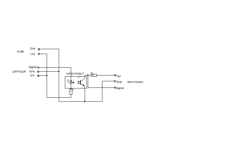
exact j'ai refait le schéma et le circuit pas d'allumage en demi teinte de la led
le capteur fonctionne franchement.
je déconseil le montage avec résistance qui provoque aussi un allumage en demi teinte de la led du capteur et préfère le circuit avec optocoupleur

- optocoupleur_capteur1.JPG (16.35 Kio) Consulté 20019 fois
je vais modifié le schéma pour mettre le contact Z en série pour avoir une buté de sécurité
merci jacque pour ces précisions et aide
il reste encore à tester l'autolevel (fiabilité dans le temps
Re: Auto Level Hephestos Sans contact (Mise à jour du 31/01/
Publié : mar. mai 26, 2015 9:34 pm
par Jacques
Ce schéma me plait bien plus, la commutation est franche et sera bien plus répétitive avec une meilleure précision.
Le test à faire serait de monter un comparateur sur le plateau et de faire des tests de commutation manuellement pour voir si la précision est bonne et surtout constante.
Ce serait bien de faire nouveau sujet avec un tuto complet sur ce montage
Bravo tout de même pour cette entreprise
On attend une vidéo du fonctionnement !
Re: Auto Level Hephestos Sans contact (Mise à jour du 31/01/
Publié : mer. mai 27, 2015 2:28 pm
par Pi3R1k
Tous d'abord merci pour ce tuto : le fonctionnement est génial
Pour ceux que ça intéresse :
Récupération du firmware marlin 1.4.2 depuis git et compilation sur arduino 1.6 :
Récupérer les sources et changer la version du firmware :
```
git clone
[email protected]:bq/Marlin.git
cd Marlin
git checkout 1.4.2
```
Copier la configuration pour la prusa i3 hephestos et copier les fichiers de la librairie SdFat à la racine :
```
cp config/hephestos/* .
cp libraries/SdFat/* .
```
Pour corriger l'erreur l'erreur suivante durant la compilation:
```
In file included from Marlin.h:14:0,
from Marlin_main.cpp:30:
/usr/share/arduino/hardware/tools/avr/avr/include/util/delay.h: In function 'void process_commands()':
/usr/share/arduino/hardware/tools/avr/avr/include/util/delay.h:163:40: error: __builtin_avr_delay_cycles expects a compile time integer constant
__builtin_avr_delay_cycles(__ticks_dc);
``` ^
Ajouter dans **Marlin.h** avant `#include <util/delay.h>`
```
#define __DELAY_BACKWARD_COMPATIBLE__
```
PS : Je pense qu'il y a une inversion des termes "Décommenter"(enlever le commentaire) et "Commenter"(mettre en commentaire) sur le tuto de la première page