Page 1 sur 4
Arrêt de la ventilation automatique Witbox et Hephestos
Publié : dim. nov. 09, 2014 7:29 am
par Jacques
La ventilation de refroidissement de la partie haute de la buse et de l'enceinte de la Witbox fait du bruit pour rien à l'arrêt de l'impression.
Ces ventilateurs n'ont pas de commande automatique. Nous pourrons utiliser une sortie auxiliaire mais ca supposerait modifier le firmware et le rendre incompatible avec les versions futures.
J'ai donc pris le parti de faire un dispositif complètement hardware qui se base sur la chauffe de la buse comme dispositif de commande de la ventilation. A l'arrêt de la chauffe et après un delai, la ventilation se coupera automatiquement.
Le circuit sera basé sur un temporisateur NE555 retriggerable. La commande de chauffe déclenchera les ventilateurs qui ne s'arrêteront qu'après l'arrêt de chauffe augmenté d'un delai d'une à deux minutes. De cette facon la régulation de la chauffe n'aura pas d'action sur le fonctionnement des ventilateurs.
Ce module se branchera sur le 12V et sur le fil de chauffe (3 fils), il disposera en sortie d'un bornier pour y brancher les ventilateurs avec courant minimum de 1A.
Fixé sous le bornier 12V de l'Hephestos, le câblage sera très simple à réaliser. Pour la Witbox, il sera intégré sous le carter avec l'électronique au niveau de l'alimentation avec un fil pour reprendre le signal de chauffe au niveau de la carte RAMPS.
Sur ce bornier on branchera :
Witbox : 2 ventilateurs de l'enceinte + ventilateur de la buse
Hephestos : Ventilateur logique + ventilateur de la buse
Attention si l'on branche le ventilateur de la logique, il faudra éviter de faire fonctionner les moteurs trop longtemps sans la chauffe.
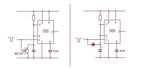
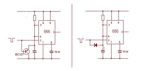
Le schéma de base du timer ressemblera à ca

- ventilation.JPG (20.48 Kio) Consulté 41140 fois
J'avance sur le sujet et reviens ici pour le schéma complet définitif
Re: Arrêt de la ventilation automatique Witbox et Hephestos
Publié : dim. nov. 09, 2014 6:14 pm
par Jacques
Cachez votre joie, pas un commentaire !
Vous voulez un module monté avec sa notice de branchement ?
Un peu de vous me motivera certainement...
Re: Arrêt de la ventilation automatique Witbox et Hephestos
Publié : dim. nov. 09, 2014 8:04 pm
par totof06
J'ai la même impression avec mon Autolevel ...

Re: Arrêt de la ventilation automatique Witbox et Hephestos
Publié : dim. nov. 09, 2014 10:25 pm
par gdjeff
c'est clairement une modif intéressante !
Mais je n'y connais rien en Electronique
Par contre quand je descend sur Gonesse (prob de carte pas resolu pour l'instant), si c'est au point idem pour le module caméra je serais preneur
Par contre que se passe-t-il avec la garantie quand on modifie ainsi l'imprimante?
suite à ce post j'ai posté dans amélioration. Le top serait de pouvoir couper l'alim et l'éclairage aussi. (mon bureau ressemble à une boite de nuit la nuit

)
Pour ce qui est de l'autoleveling, je ne règle que de temps en temps le plateau 5-10 impressions , ça ne bouge pas. Mais c'est certain que si ça se ferait automatiquement ça serait un sérieux plus aussi.
Bref je vous soutiens et vous encourages dans vos recherche, perso je me limiterais à la conception de support de bobine

bidouiller les fils c'est pas pour moi
Re: Arrêt de la ventilation automatique Witbox et Hephestos
Publié : lun. nov. 10, 2014 8:52 am
par Jacques
totof06 a écrit :J'ai la même impression avec mon Autolevel ...

Le problème avec l'autolevel c'est qu'il n'était pas assez précis selon vos dires.
On peut en reparler sur le sujet en question car je suis persuadé que c'est une évolution intéressante.
gdjeff a écrit :c'est clairement une modif intéressante !
Mais je n'y connais rien en Electronique
Par contre quand je descend sur Gonesse (prob de carte pas resolu pour l'instant), si c'est au point idem pour le module caméra je serais preneur
Par contre que se passe-t-il avec la garantie quand on modifie ainsi l'imprimante?
suite à ce post j'ai posté dans amélioration. Le top serait de pouvoir couper l'alim et l'éclairage aussi. (mon bureau ressemble à une boite de nuit la nuit

)
Pour ce qui est de l'autoleveling, je ne règle que de temps en temps le plateau 5-10 impressions , ça ne bouge pas. Mais c'est certain que si ça se ferait automatiquement ça serait un sérieux plus aussi.
Bref je vous soutiens et vous encourages dans vos recherche, perso je me limiterais à la conception de support de bobine

bidouiller les fils c'est pas pour moi
Ma modification sera implémentable sur toutes les imprimantes, par vous ou par nous, c'est le but ultime, faire simple et efficace (on pourra aussi couper la lumière et même la changer par un bandeau blanc au lieu de bleu).
Pour la caméra c'est un peu plus compliqué mais ca avance aussi. Nous testons actuellement la nouvelle PI B+
Pour la garantie elle reste active tant que les modifications n'ont pas d'incidence sur le bon fonctionnement de la machine. En clair les modifications ne sont pas garanties mais le reste oui sauf si l'on peut prouver que c'est à cause d'une modication que la machine est en panne.
Par exemple, celui qui chauffe sa buse à 270° (modification du firmware) risque de perdre la garantie sur la buse mais pas sur les moteurs par exemple
Si une modification est approuvée par nos services et bien installée, la garantie restera valide quoi qu'il se passe.
C'est juste une question de bon sens et de responsabilité, je suis là aussi pour en parler avec vous. Si vous avez un doute, posez vos questions.
N'oubliez pas que l'on n'est pas dans le commerce de masse, la garantie est assumée par Premium avant même celle de BQ
Je parle là des machine vendues par Premium
Re: Arrêt de la ventilation automatique Witbox et Hephestos
Publié : lun. nov. 10, 2014 5:05 pm
par Axel
Oui bien sûr, ce serait une amélioration très appréciée !
Mais effectivement, comme gdjeff, je ne comprends rien à l'électronique
Je dois reconnaître que je ne sais pas ce qu'est une carte ramps et ne sais pas décrypter le shéma proposé.
Donc, je ne sais pas apprécier les difficultés rencontrées pour concevoir un tel montage et l'effort que cela représente.
Oui bien sûr, nous serons très contents de pouvoir disposer d'un kit qui apporterait cette modification et d'une notice avec les explications indispensables pour les non spécialistes.
Re: Arrêt de la ventilation automatique Witbox et Hephestos
Publié : lun. nov. 10, 2014 6:14 pm
par totof06
ceci peut être implémenté sur une hephestos ? car oui le bruit du ventilateur en fin d'impression ..c'est gênant !
Re: Arrêt de la ventilation automatique Witbox et Hephestos
Publié : lun. nov. 10, 2014 6:20 pm
par Jacques
totof06 a écrit :ceci peut être implémenté sur une hephestos ? car oui le bruit du ventilateur en fin d'impression ..c'est gênant !
En même temps c'est le titre du sujet...

Re: Arrêt de la ventilation automatique Witbox et Hephestos
Publié : lun. nov. 10, 2014 7:15 pm
par totof06
Oupsss pardon ...
Re: Arrêt de la ventilation automatique Witbox et Hephestos
Publié : lun. nov. 10, 2014 9:58 pm
par Blumax
L'idéal serrais de pouvoir demander l’extinction complet de l'imprimante une fois terminé.
Il y à des emplacement libre pour des servos il me semble, pourquoi en fin d’impression ne pas programmer un déplacement à un degré précis sur le servo qui couperais un relai ?
Ainsi on ne touche pas aux firmware, juste à la fin du gcode, tu voie l'idée Jacques ?
Re: Arrêt de la ventilation automatique Witbox et Hephestos
Publié : mar. nov. 11, 2014 9:30 am
par totof06
Oui l'arrêt complet serai encore mieux !
Re: Arrêt de la ventilation automatique Witbox et Hephestos
Publié : mar. nov. 11, 2014 10:02 am
par Jacques
Blumax a écrit :L'idéal serrais de pouvoir demander l’extinction complet de l'imprimante une fois terminé.
Il y à des emplacement libre pour des servos il me semble, pourquoi en fin d’impression ne pas programmer un déplacement à un degré précis sur le servo qui couperais un relai ?
Ainsi on ne touche pas aux firmware, juste à la fin du gcode, tu voie l'idée Jacques ?
On pourrait le faire avec une suite de G-code en fin d'impression et un poussoir pour redémarrer.
Il y a aussi une autre solution qui consiste à mettre une alimentation ATX commandée par la fonction ON/OFF du g-code
Mais ce sera l'objet d'un autre sujet.
Mon système est plus simple à installer, moins coûteux et donnera le même résultat sans toucher à rien au niveau du g-code ou du firmware.
Le prototype est prêt il ne manque plus qu'à le tester sur l'imprimante.
Il se branchera simplement sur le bornier du bas sans modifier le câblage existant.
Re: Arrêt de la ventilation automatique Witbox et Hephestos
Publié : mar. nov. 11, 2014 9:28 pm
par Lolo80
Ça a l'air super, mais je suis dans la même situation que les autres concernant l'électronique. Néanmoins j'attends avec intérêt le prototype afin de l'intégrer dans mon caisson.
Re: Arrêt de la ventilation automatique Witbox et Hephestos
Publié : jeu. nov. 13, 2014 12:27 am
par Jacques
Ca prend un peu plus forme, les test offline sont fait, je dois maintenant le tester sur notre Hephestos et réaliser le circuit imprimé.
Il manque encore un interrupteur pour forcer la ventilation manuellement
Bat1 c'est en fait le 12V
S1 est la connection du chauffage de la buse
M1 sont les ventilateurs
Re: Arrêt de la ventilation automatique Witbox et Hephestos
Publié : jeu. nov. 27, 2014 12:13 am
par Jacques
Bon, j'ai terminé les tests et le typon du CI
J'ai les composants mais il me manque 2g de soude caustique pour révéler la photo avant la gravure....
Pour 2g je vais devoir passer chez Casto et acheter 1kg de soude...
Le branchement
Le circuit est branché sur le 12V en dessous du bornier existant. Un fil est branché sur le - du fil de chauffe, un bornier sevira à brancher les deux ventilateurs et autres accessoires comme l'éclairage par exemple.
Ce qui fait qu'au niveau des branchements il n'y a pas à couper ou rallonger des fils.
Un cavalier ou un interrupteur sur la carte servira à forcer la ventilation en cas de besoin.
Une led servira à visualiser le fonctionnement
Le fonctionnement
La ventilation se mettra en fonction automatiquement au début de la chauffe et s'arrêtera 1mn après l'arrêt de la chauffe.
Pas de soft, rien que du hardware, du fiable quoi
